Van bi khí nén Đài Loan
Miễn phí vận chuyển
Mô tả
1.Giới thiệu van bi khí nén Đài Loan là gì?
a.Định nghĩa về van bi điều khiển khí nén Đài Loan
Van bi khí nén Đài Loan hay còn được gọi với các tên gọi khác như van bi điều khiển khí nén Đài Loan, van bi đóng mở khí nén, van bi hoạt động bằng khí nén là một sản phẩm dùng để đóng mở và điều tiết lưu chất trong đường ống dẫn hiện nay, hiểu theo cách khác van bi được nối lắp bộ khí nén để giúp van hoạt động một cách tự động hóa và nhanh chóng, thuận tiện cho người sử dụng.
Hiện nay chúng tôi đang là đơn vị nhập khẩu và phân phối độc quyền, chính hãng van bi điều khiển khí nén mang thương hiệu Haitima xuất xứ Đài Loan, Haitima là thương hiệu uy tín, có thị trường trải rộng khắp Châu Á và Đông Âu. Trong đó, thị trường Việt Nam cũng là một thị trường tiềm năng.
Bộ điều khiển khí nén Haitima – Đài Loan được sản xuất trên dây chuyền công nghệ hiện đại, tiên tiến, các chi tiết kết hợp với nhau nhuần nhuyễn nhờ vào sự lắp ráp tỉ mỉ và chắc chắn. Van bi điều khiển khí nén Haitima có khả năng vận hành đạt chất lượng cao, độ bền tốt. Mang lại sự hiệu quả và giá trị sử dụng cho hệ thống tương đối cao mà giá thành lại vô cùng hấp dẫn.

Van bi khí nén Đài Loan
Van bi khí nén Đài Loan tại kho hàng chúng tôi có đầy đủ mẫu mã và chủng loại từ DN15 – DN200, kiểu kết nối đa dạng như mặt bích, nối ren, chất liệu inox, nhựa… sử dụng tốt cho các môi trường có tính ăn mòn, môi trường nước thải, hóa chất, bazo..
Liên hệ ngay tới số điện thoại 0967.249.266 gặp Mr.Sơn để nhận ngay báo giá!
>>>>>Tham khảo thêm: van bi điều khiển khí nén
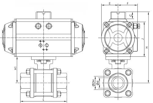
b.Cung cấp thông số kỹ thuật van bi khí nén Đài Loan
- Kích cỡ: DN15 – DN200
- Vật liệu chế tạo: thân van inox304, gang, nhựa
- Bộ phận làm kín( gioăng): PTFE
- Kiểu kết nối: lắp ren, rắc co hoặc mặt bích
- Tiêu chuẩn mặt bích: BS, JIS10K, DIN
- Áp lực làm việc: PN16
- Áp suất khí nén: 3- 8bar
- Nhiệt độ làm việc: -10 – 160 độ C
- Cấp bảo vệ: IP67
- Điểu khiển: ON/OFF hoặc tuyến tính
- Môi trường làm việc: nước, chất lỏng, dầu
- Hãng sản xuất: Haitima Đài Loan
- Tình trạng: luôn sẵn hàng
- Giấy tờ: CO,CQ đầy đủ
- Bảo hành: 12 tháng
2.Tìm hiểu về cấu tạo và nguyên lí hoạt động van bi khí nén Đài Loan
a.Van bi điều khiển khí nén Đài Loan có cấu tạo như thế nào?
Cũng như cấu tạo của các loại van điều khiển khí nén khác, van bi khí nén Đài Loan có cấu tạo gồm 2 phần chính đó là bộ phận van bi và bộ khí nén có xuất xứ Đài Loan.

Cấu tạo van bi khí nén Đài Loan
+Phần van bi: van bi thường sử dụng sẽ có tạo từ các vật liệu cứng như inox nên sẽ chịu được nhiệt độ cao lẫn áp suất lớn, chống chịu ăn mòn khi phải liên tục ngâm mình dưới hóa chất như xăng hoặc dầu. Ngoài ra cũng có chất liệu khác như nhựa PVC, UPVC thích hợp cho nước biển, nước muối clorua.
+Bộ khí nén: bộ khí nén được chúng tôi tin tưởng nhậu khẩu từ hãng van nổi tiếng là Haitima Đài Loan có thân bằng nhôm, đạt tiêu chuẩn IP67 các chi tiết kỹ thuật bên trong ruột được kết nối với nhau chặt chẽ bằng công nghệ hiện đại nhất hiện nay.
b.Nguyên tắc hoạt động van bi khí nén Đài Loan

Nguyên lí hoạt động van bi khí nén Đài Loan
Nguyên lý hoạt động của sản phẩm cũng giống với các loại van bi điều khiển khí nén khác: Kết cấu hệ truyền động điều khiển gồm hệ bánh răng truyền động đầu khí nén – ty van bi – bi van.
+Ở trạng thái ban đầu van đóng. Khi cấp van vào cửa “A” vào khoang chứa chính giữa. Áp lực của khí nén sẽ đẩy Piston sang hai bên; và đẩy không khí ở khoang chứa 2 đầu bộ khí nén ra ngoài từ cửa B. Nhờ hệ bánh răng truyền động để truyền động điều khiển đến thân van bi (ty van – bi van) khiến bi van xoay 1 góc tối đa 90°. Khi đó van sẽ mở và cho lưu chất đi qua vị trí van. Trạng thái này sẽ vẫn được giữ nguyên đến khi kỹ thuật viên cấp khí nén cho hành trình đóng van.
+Để đóng van, Chúng ta cần cấp khí nén đi vào đầu điều khiển qua cổng “B”: Khi đó, khí nén được đưa vào khoang ở 2 đầu bộ khí nén. Qua đó đẩy Piston vào, và thông qua hệ truyền động nói trên để vận hành đóng van – ngăn không cho lưu chất đi qua.
>>>>Danh mục sản phẩm: Van điều khiển khí nén
3.Nhận xét đánh giá chung về dòng sản phẩm van bi khí nén Đài Loan
a.Van bi điều khiển khí nén Đài Loan có những ưu điểm gì?
- Van bi điều khiển bằng khí nén vận hành theo nguyên lý Piston khí nén; vận hành nhanh, an toàn trong phòng chống cháy nổ.
- Sản phẩm có tính tự động hóa cao, giúp giảm nhân lực vận hành, kiểm soát hệ thống
- Thân van bi bằng inox chịu đựng áp suất trong đường ống lên đến 16bar ~ 63bar (Tùy yêu cầu của khách hàng).
- Nhiệt độ của van trong suốt quá trình làm việc đạt hiệu quả là 10 đến 180°C. Với một số nhu cầu của Khách hàng cho nhiệt độ cao
- Chúng tôi luôn có phương án, giải pháp. Vui lòng liên hệ để được hỗ trợ tốt nhất.
- Bộ điều khiển khí nén Haitima nhận được chứng nhận tiêu chuẩn IP67; có khả năng làm việc hiệu quả ở một số môi trường khắc nghiệt. Tuy vậy ở điều kiện làm việc ngoài trời, Quý Vị cần trang bị mái che chắn cẩn thận để thiết bị vận hành ổn định.
- Được Tuấn Hưng Phát nhập khẩu và phân phối độc quyền nên quý khách hàng có hoàn toàn tuyệt đối yên tâm về chất lượng của sản phẩm

Van bi điều khiển khí nén Haitima Đài Loan
b.Ứng dụng lắp đặt van bi khí nén Đài Loan
Van xuất hiện trong hệ thống đường ống và hệ thống tự động hóa của doanh nghiệp, xí nghiệp như:
• Nhà máy xử lý nước thải, hóa chất.
• Nhà máy sản xuất thực phẩm, đồ uống.
• Nhà máy bán dẫn điện tử, điện phân.
4.Những sản phẩm van bi khí nén Đài Loan tại Tuấn Hưng Phát
a.Van bi ren khí nén Haitima Đài Loan

Van bi ren khí nén Đài Loan
Thông số kỹ thuật
- Kích cỡ của van: DN15, DN20, DN25, DN32, DN40, DN50, DN65, DN80, DN100, DN125, DN150, DN200
- Vật liệu cấu tạo van bi:inox 304, nhựa
- Kiểu nối lắp: vặn ren, 2 đầu rắc co
- Vật liệu cấu tạo bộ khí nén: hợp kim nhôm phủ sơn xám Eboxy
- Tiêu chuẩn: đạt tiêu chuẩn kháng bụi kháng nước IP67
- Kiểu đóng mở: on/off và tuyến tính
- Tín hiệu: nhận tín hiệu đầu vào 4 – 20mA
- Áp lực bộ khí: 3bar – 8bar
- Áp lực tối đa: 10bar – 16bar
- Nhiệt độ cho phép: 0 – 180 độ C
- Thời gian đóng mở: 1 – 2s
- Môi trường sử dụng: nước, nước thải, xăng dầu
- Xuât xứ: Haitima Đài Loan
- Tình trạng: luôn đầy kho
- Bảo hành: 1 năm
b.Van bi điều khiển khí nén Đài Loan nối mặt bích

Van bi mặt bích điều khiển bằng khí nén
Thông số kỹ thuật
- Kích cỡ: DN50 – DN200
- Vật liệu cấu tạo: inox 304
- Kết nối: mặt bích
- Tiêu chuẩn: JIS10K, BS, ANSI, DIN
- Bộ điều khiển: bộ khí nén
- Đóng mở: on/off hoặc tuyến tính
- Tiêu chuẩn: IP67
- Tín hiệu: 4 – 20mA
- Áp lực khí nén: 2bar – 7bar
- Áp lực làm việc: PN10/PN16
- Nhiệt độ cho phép: 0 – 80 độ C
- Xuất xứ: Haitima Đài Loan
- Bảo hành: 12 tháng
5.Lựa chọn cơ sở mua van bi khí nén Đài Loan
Hãy đến với chúng tôi, công ty TNHH Tuấn Hưng Phát hiện đang là nhà cung cấp các loại van công nghiệp, van điều khiển, đồng hồ đo lưu lượng lớn nhất miền bắc, đến với chúng tôi quý khách sẽ nhận được những sản phẩm chất lượng nhất, giao hàng miễn phí khu vực nội thành Hà Nội, bảo hành 12 tháng và đổi trả hoàn tiền nếu có trục trặc lỗi kỹ thuật, đội ngũ nhân viên kinh doanh giàu kinh nghiệm sẽ liên túc trực hỗ trợ những giải đáp của quý khách hàng.
Hãy liên hệ ngay tới chúng tôi theo địa chỉ:
CÔNG TY TNHH THƯƠNG MẠI TUẤN HƯNG PHÁT
VPGD: Liền kề 13, số nhà 25, KĐT Xa La, Hà Đông, Hà Nội
Liên hệ mua hàng: Call và Zalo:
Mr. Sơn: 0967.249.266
Email: son@tuanhungphat.vn
HÌNH THỨC THANH TOÁN
– Ngân hàng Techcombank chi nhánh Linh Đàm Hà Nội , STK:11124919568014
– Ngân hàng Nông Nghiệp và Phát triển Nông Thôn Việt Nam , STK: 1500201070229
Đánh giá (2)
Sản phẩm tương tự
Cookie Consent
We use cookies to improve your experience on our site. By using our site, you consent to cookies.
Cookie Preferences
Manage your cookie preferences below:
Essential cookies enable basic functions and are necessary for the proper function of the website.
Statistics cookies collect information anonymously. This information helps us understand how visitors use our website.
Marketing cookies are used to follow visitors to websites. The intention is to show ads that are relevant and engaging to the individual user.


Mr Sơn THP
van khí nén lắp ống 21
admin Đã mua tại top1van.com
Sản Phẩm Rất Tốt!