Van bướm điện on/off
Miễn phí vận chuyển
Mô tả
1.Van bướm điện on/off là gì?
Van bướm điện on/off hay gọi là van bướm điều khiển bằng điện on/off là dạng van được sử dụng để đóng và mở lưu chất với các góc nhất định từ 0 độ đến 90 độ. Van hoạt động được nhờ có bộ moter điện có hiệu điện thế ví dụ như 24v, 220v, 380 kết nối trực tiếp với bộ phận van bướm có thân van được làm từ inox, gang, nhựa.
Van bướm điều khiển điện on/off được sử dụng rất rộng rãi nhờ có cấu tạo đơn giản, đóng mở nhanh, tháo lắp linh hoạt, có thể bóc tách từng bộ phận để lắp đặt. Van có kiểu kết nối chính là mặt bích hoặc lug, sử dụng được cho hầu hết các loại môi trường hiện nay như nước sạch, nước thải, nước muối, axit, hóa chất và xăng dầu…
Hiện nay chúng tôi đang phân phối ra thị trường chính hãng các loại van bướm điều khiển điện on/off nói chung và các loại van điều khiển điện nói riêng, các sản phẩm tại chúng tôi có thân van được nhập khẩu từ hãng Wonil Hàn Quốc, đầu điện có xuất xứ từ Taiwan, Korea, Malaysia…đảm bảo 100% hàng chính hãng có đầy đủ giấy tờ và phiếu bảo hành giao tận tay khách hàng.

Các bạn quan tâm đến sản phẩm của chúng tôi liên hệ ngay tới số hotline: 0967.249.266 để được tư vấn!!!
>>>Bấm xem sản phẩm tương tự: Van bướm điều khiển điện tuyến tính
2.Tìm hiểu cấu tạo và thông số kỹ thuật của van bướm điện on/off
a.Thông số kỹ thuật của van bướm điều khiển điện on/off
- Kích cỡ van: 40A, 50A, 65A, 80A, 100A, 125A, 150A, 200A, 250A, 300A, 400A, 500A, 600A
- Cấu tạo van bướm: thân gang cánh inox, toàn thân inox, nhựa PVC, UPVC, CPVC
- Cấu tạo của bộ điện: hợp kim nhôm, phun sơn chống gỉ đạt tiêu chuẩn IP65
- Kiểu điều khiển: điều khiển bằng điện
- Dạng đóng mở: on/off và tuyến tính
- Tuyến tính: tín hiệu analog 4 – 20mA
- Kết nối: dạng wafer mặt bích
- Tiêu chuẩn: JIS, BS, ANSI, DIN
- Dòng điện: 24VDC, 220VAC
- Áp lực làm việc: 10bar – 16bar
- Nhiệt độ tối đa: 0 – 180 độ C
- Môi trường sử dụng: các loại chất lỏng, khí, hơi, ga xăng dầu
- Công dụng: đóng mở và điều tiết
- Xuất xứ: Hàn Quốc và điều tiết
- Tình trạng: luôn có đủ số lượng lớn
- Bảo hành: 12 tháng
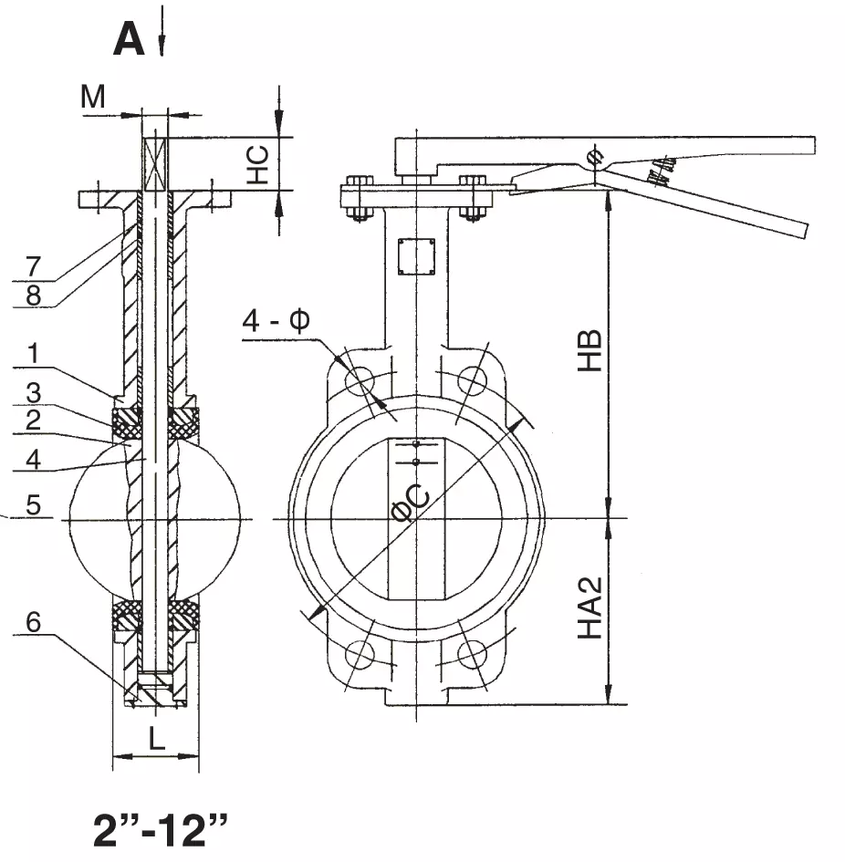
b.Tìm hiểu cấu tạo của van bướm điện on/off
Cấu tạo của van bướm điều khiển điện on/off cũng giống như các loại van bướm điều khiển điện khác gồm có 2 bộ phận chính là van bướm và bộ moter điện
*Phần van bướm

Về cấu tạo của van bướm chắc không còn xa lạ gì với những anh em thường xuyên theo dõi bài viết của tôi, sau đây mình xin tóm tắt lại cấu tạo của van cánh bướm như sau:
- Thân van: thân van được cấu tạo từ nhiều vật liệu khác nhau như gang cầu, inox 304 và nhựa PVC
- Trục vanL: trục van là bộ phận kết nối 1 đầu với đầu điện, đầu còn lại gắn trực tiếp cánh van để đóng mở van, trục van thường được làm bằng inox 304 để tăng độ bền và ăn mòn
- Cánh van: cánh van có dạng đĩa như cánh con bướm nên được gọi là van bướm, quay qua quay lại để đóng và mở lưu chất, cánh xoay 90 độ để mở van hoàn toàn và 0 độ là tình trạng van đóng hoàn toàn. Cánh van thường được làm bằng inox đặc.
- Gioăng làm kín: là bộ phận để giúp van không bị rò rĩ chất ra ngoài môi trường và trào ngược trở lại ống
*Phần moter điện

Bộ moter điện được chúng tôi nhập khẩu trực tiếp từ Hàn Quốc và Đài Loan, có thân được làm bằng hợp kim nhôm chắc chắn, phun sơn chống gỉ và bám bụi đạt tiêu chuẩn IP65 và cũng tăng nên tính thẩm mỹ cho van. Chúng hoạt động được nhờ nguồn điện có hiệu điện thế bằng 24V, 220V để điều khiển đóng mở van bướm. Ở dạng on/off bộ điện chỉ có thể giúp van đóng mở 1 góc từ 0 – 90 độ thích hợp cho ứng dụng đóng và mở, không sử dụng để điều tiết.
3.Nhận xét đánh giá về dòng van bướm điều khiển bằng điện on/off
a.Van bướm điện on/off có những ưu điểm gì?
- Hoạt động tự động, giảm thời gian công sức cho người điều khiển
- Đa dạng cấu tạo, kết nối với đường ống bằng phương pháp wafer đa tiêu chuẩn
- Vật liệu cấu tạo van bướm từ gang, inox, nhựa có thể sử dụng được cho nhiều môi trường khác nhau
- Kích thước van đa dạng có thể lắp đặt cho các cỡ ống từ trung bình đến lớn
- Sử dụng nguồn điện áp 24v, 220v thông dụng gần gũi với con người
- Nhập khẩu từ Hàn Quốc và Đài Loan nên rất chất lượng về bắt mắt
b.Ứng dụng sử dụng van bướm điện on/off

- Sử dụng trong công nghệ sản xuất, chế biến: van được lắp đặt cho các hệ thống xử lý nước thải, cấp thoát nước cục bộ, các nhà máy xử lý dung dịch, sản xuất hóa chất,
- Các bể chưa lắng dọng chất ăn mòn như axit, bazo với nồng độ loãng, các nhà máy sản xuất xi măng, xăng dầu, các khu công nghiệp chế biến, sản xuất hóa chất công nghiệp, hóa chất nghiên cứu.
- Với ngành nông nghiệp và chế biến van cũng được áp dụng rất phổ biến trong các nhà máu chế biến rau quả, chế biến hải sản.
- Các nhà máy sản xuất thực phẩm, nước giải khái, trong dâu truyền sản xuất thuốc men.
- Đối với các như cầu xử lý môi trường, thuốc bảo vệ thực vật van được lắp đặt nhằm giảm thiểu tối đa độ ăn mòn, oxy hóa của các hóa. Giúp các đường ống dẫn truyền hoạt động ổn định, bền bỉ, tuổi thọ lâu dài.
- Với nhu cầu dân sinh van bướm inox điện được lắp đặt ở các hệ thống cấp thoát nước khu dân cư, hệ thống bể bơi, hồ bơi…
4.Một số van bướm đóng mở bằng điện on/off có ở Tuấn Hưng Phát
a.Van bướm thân gang cánh inox đóng mở điện

Thông số kỹ thuật
- Thân van: gang cầu
- Kích cỡ van: DN40 – DN500
- Điều khiển: bằng moter điện
- Dạng đóng mở: on/off
- Hiệu điện thế: 24v và 220v
- Áp lực làm việc: PN16
- Nhiệt độ: 0 – 120 độ C
- Môi trường: nước sạch, nước thải đã qua xử lí
- Xuất xứ: Kosaplus – Hatima
- Bảo hành: 1 năm
b.Van bướm toàn thân inox điều khiển điện on/off

Thông số kỹ thuật
- Thân van: inox 304
- Kích cỡ van: DN40 – DN500
- Điều khiển: bằng moter điện
- Dạng đóng mở: on/off
- Hiệu điện thế: 24v và 220v
- Áp lực làm việc: PN16
- Nhiệt độ: 0 – 180 độ C
- Môi trường: các loại chất lỏng, xăng dầu, hóa chất
- Xuất xứ: Kosaplus – Hatima
- Bảo hành: 1 năm
c.Van bướm nhựa điện on.off 220V

Thông số kỹ thuật
- Thân van: nhựa PVC, UPVC, CPVC
- Kích cỡ van: DN40 – DN300
- Điều khiển: bằng moter điện
- Dạng đóng mở: on/off
- Hiệu điện thế: 24v và 220v
- Áp lực làm việc: PN16
- Nhiệt độ: 0 – 80 độ C
- Môi trường: nước thải, nước muối, nước mặn, axit
- Xuất xứ: Kosaplus – Hatima
- Bảo hành: 1 năm
5.Tổng kết về van bướm điện on/off
Qúy khách có nhu cầu mua van bướm điện on/off hãy liên hệ tới chúng tôi – công ty TNHH Tuấn hưng Phát luôn đi đầu về giá cả và chất lượng, đảm bảo 100% chính hãng, đổi trả bảo hành trong vòng 1 năm nếu có lỗi nhà sản xuất, vận chuyển miễn phí nội thành khu vực Hà Nội.
Liên hệ ngay tới địa chỉ:
CÔNG TY TNHH THƯƠNG MẠI TUẤN HƯNG PHÁT
VPGD: Số 25 Liền kề 13 khu đô thị Xa La, Hà Đông, Hà Nội
Hotline: 0967.249.266
Email: Son@tuanhungphat.vn
Hoặc quý khách có thể xem trực tiếp kho hàng của chúng tôi theo địa chỉ: Ngã 3 cây xăng Tam Hiệp – Xã Đại Áng – Thanh Trì – Hà nội.
Đánh giá (2)
Sản phẩm tương tự
Cookie Consent
We use cookies to improve your experience on our site. By using our site, you consent to cookies.
Cookie Preferences
Manage your cookie preferences below:
Essential cookies enable basic functions and are necessary for the proper function of the website.
Statistics cookies collect information anonymously. This information helps us understand how visitors use our website.
Marketing cookies are used to follow visitors to websites. The intention is to show ads that are relevant and engaging to the individual user.


Mr Sơn THP
van bên bạn xuât xứ ở đâu?
admin Đã mua tại top1van.com
Sản Phẩm Rất Tốt!