Van bi 3 mảnh
Miễn phí vận chuyển
Mô tả
1.Van bi 3 mảnh là gì?
Van bi 3 mảnh hay còn được gọi là van bi 3 thân, van bi 3PC đều là tên gọi chung của loại van bi có cấu tạo từ 3 thân riêng biệt nối ghép thành. Van được làm bằng chất liệu inox 304, kết nối với các ống dẫn bằng phương phát nối ren, điều khiển bằng hình thức tay gạt, điều khiển điện hoặc lắp bộ điều khiển khí nén.
Van bi 3 mảnh được lắp đặt cho nhiều hệ thống hiện nay như xử lí nước, đóng ngắt cácchuỗi hệ thống trong nhà máy chế biến, sản xuất và chế tạo lắp đặt. Van được làm bằng inox nên có độ bền rất cao, áp lực chịu được là PN16, nhiệt độ tối đa lên tới 180 độ C.

Ưu điểm lớn nhất của dòng này là đóng mở rất nhanh, thao tác điều khiển linh hoạt dể dàng, ngoài ra chúng còn lắp đặt nhiều cho các hệ thống tự động cho nhà máy có dây truyền lớn bằng các moter điện, xilanh khí nén để giúp van có thời gian đóng mở nhanh hơn nữa, linh hoạt hơn ngoài ra có thể điều tiết được dòng chảy bằng dạng đóng mở tuyến tính.
Các dòng van bi 3 mảnh hiện nay có kích thước từ DN15 – DN50, đa dạng xuất xứ từ nhiều hãng sản xuất khác nhau. Liên hệ tới chúng tôi 0967.249.266 để được tư vấn kỹ thuật, hỗ trợ lắp đặt và báo giá các sản phẩm chất lượng nhất!!!
>>>Sản phẩm liên quan: Van bi inox Wonil Hàn Quốc
2.Tìm hiểu thông số kỹ thuật và cấu tạo của dòng van bi 3 thân
a.Thông số kỹ thuật của van bi 3 mảnh
Van có những thông số cần nắm bắt như sau:
– Loại van: Van bi
– Cấu tạo thân van: inox không gỉ 304
– Gioăng làm kín: Teflon, PTFE
– Dạng van: 3 thân, 3 mảnh, 3PC
– Kết nối: lắp ren
– Điều khiển: tay gạt, điều khiển điện, khí nén
– Kích cỡ: DN15 – DN20 – DN32 – DN40 – DN50
– Áp lực làm việc: PN16 – PN25
– Nhiệt độ làm việc: 0 – 180 độ C
– Công dụng chính: đóng mở và điều tiết
– Môi trường sử dụng: nước, hóa chất, xăng dầu
– Xuất xứ: China
– Bảo hành: 1 năm
b.Tìm hiểu cấu tạo van bi 3PC
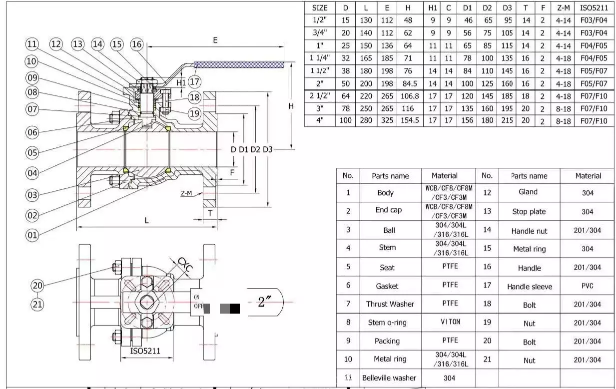
Cấu tạo của van bi 3 mảnh khá đơn giản, chúng ta có thể quan sát hình ảnh dưới đây để có thể hiểu rõ hơn về cấu tạo của chúng.

Quan sát hình ảnh trên ta có thể thấy được:
– Thân: là bộ phận gồm 3 mảnh khác nhau nối lắp lại với nhau thành 1 bộ phận hoàn chỉnh, chúng có thể tách rời hoặc nối lắp tùy ý định của người sử dụng. Thân được làm hoàn toàn bằng inox 304 nên có độ chắc chắn và bền bỉ cao, sử dụng tốt cho các loại môi trường có nhiệt độ lớn.
– Trục van: đây là bộ phân kết nối trực tiếp 1 đầu với bộ điều khiển, đầu còn lại nối lắp với bi van với tác dụng chính là truyền lực điều khiển xuống bi van giúp van đóng mở một cách thuận tiện. Trục van được làm bằng inox không gỉ, nằm gọn trong thân van và không thể quan sát thấy ở ngoài.
– Bi van: Bi van có hình cầu, đục lỗ ở giữa và cũng được làm bằng inox để giảm tránh ăn mòn do lưu chất gây ra. Bi của van có thể chuyển động theo các góc khác nhau để cho lưu chất chảy qua, khi ở trạng tháo mở hết cỡ bi van đạt goc 90 độ.
– Điều khiển: phần điều khiển của van có nhiều dạng khác nhau, cơ bản nhất là dạng tay gạt thông thường, điều khiển gạt qua gạt lại để đóng mở. Ngoài ra chúng được lắp đặt bộ moter điện và khí nén để giúp van hoạt động dễ dàng và tự động hơn.
– Ngoài những bộ phận chính trên van bi 3 mảnh còn có các chi tiết nhỏ khác như gioăng làm kín, các bulong đai ốc giúp kết nối van.
3.Tại sao nên lựa chọn van bi 3 mảnh

Dòng van bi 3 mảnh được ưu tiên lựa chọn sử dụng nhiều bởi:
- Tính linh hoạt và đa dạng theo cấu tạo, có thể tháo rời hoặc lắp ghép thân van trong quá trình lắp đặt
- Đóng mở nhanh, điều khiển dễ dàng và thuận tiện
- Cấu tạo bằng inox nên có độ bền, độ cứng chống chịu ăn mòn tốt
- Kích thước chủ yếu lắp đặt cho các ống kích thước nhỏ, không gian nối lắp chật hẹp
- Là một sản phẩm được kết hợp với bộ điều khiển tự động nhiều nhất bởi tính năng đa dạng hóa
- Nối lắp theo dạng ren vặn đem lại sự chắc chắn cần thiết, lắp đặt dễ dàng nhanh chóng
- Gía thành van khá rẻ, đảm bảo nhu cầu sử dụng
Bên trên là một số ưu điểm mạnh mà dòng van bi 3 mảnh có được, các bạn đọc có nhu cầu mua van hãy liên lạc ngay tới số hotline: 0967.249.266 để được giải đáp!!!
4.Một số loại van bi 3 mảnh thường gặp hiện nay
a.Van bi 3 mảnh tay gạt

Van bi 3 mảnh tay gạt là dòng van có kiểu điều khiển theo dạng thủ công gạt bằng tay, kiểu điều khiển này rất dễ để vận hành, chỉ cần chúng ta xoay cần gạt của van theo chiều mũi tên lập tức van sẽ thay đổi trạng thái từ đóng sang mở và ngược lại. Van bi 3 mảnh tay gạt có các dãi kích thước từ DN15 – DN50 và nối lắp với ống dẫn bằng phương pháp nối ren.
Thông số kỹ thuật của dòng van bi 3 mảnh tay gạt:
- Kích cỡ van: DN15 – DN50
- Điều khiển van: tay gạt
- Nối lắp van: vặn ren
- Cấu tạo van: inox 304
- Áp lực làm việc: PN16
- Nhiệt độ tối đa: 0 – 180 độ C
- Dạng van: 3 thân
- Môi trường: các loại chất lỏng
- Công dụng chính: đóng mở
- Xuất xứ: china
- Bảo hành: 1 năm
b.Van bi 3 thân điều khiển điện
Van bi ba thân điều khiển điện là dòng van được thay thế kiểu điều khiển tay gạt thủ công, chúng được gắn một bộ moter điện có điện áp là 24VDC – 22VAC để điều khiển van. Chúng có thể đóng mở bằng 2 dòng khác nhau như on/off và tuyến tính tức là đóng mở bằng 1 góc nhất định hoặc nhiều góc khác nhau.

Thông số kỹ thuật của dòng van bi 3 mảnh điều khiển điện:
- Kích cỡ van: DN15 – DN50
- Điều khiển van: điều khiển bằng điện
- Điện áp: 24v- 220v
- Đóng mở: ON/OFF và tuyến tính
- Tín hiệu: analong 4 – 20mA
- Nối lắp van: vặn ren
- Cấu tạo van: inox 304
- Áp lực làm việc: PN16
- Nhiệt độ tối đa: 0 – 180 độ C
- Dạng van: 3 thân
- Môi trường: các loại chất lỏng
- Công dụng chính: đóng mở
- Xuất xứ: china -Hàn quốc
- Bảo hành: 1 năm
c.Van bi 3PC điều khiển khí nén
Cũng giống như dòng điều khiển bằng điện, khí né được thay thế vào van bi tay gạt để giúp van điều khiển nhanh chóng dễ dàng hơn. Để có thể điều khiển được van chúng ta phải cung cấp nguồn khí nén cần thiết từ 3bar – 8bar van có thể duy trì áp lực làm việc. Van bi khí nén cũng có thể đóng mở và điều tiết khí nén giống bộ điều khiển bằng điện.
Ngoài ra đối với dòng khí nén bộ khí được chia làm 2 loại là dạng tác động đơn và tác động kép, hiểu theo cách đơn giản là có 2 dạng luôn đóng và luôn mở. Để có thể hiểu rõ hơn xin liên hệ 0967.249.266

Thông số kỹ thuật của dòng van bi 3 mảnh điều khiển khí nén:
- Kích cỡ van: DN15 – DN50
- Điều khiển van: điều khiển bằng khí nén
- Áp khí nén: 3bar – 8bar
- Đóng mở: on/offvà tuyến tính
- Tín hiệu: 4 – 20mA
- Bộ khí nén: tác động đơn và tác động kép
- Nối lắp van: vặn ren
- Cấu tạo van: inox 304
- Áp lực làm việc: PN16
- Nhiệt độ tối đa: 0 – 180 độ C
- Dạng van: 3 thân
- Môi trường: các loại chất lỏng
- Công dụng chính: đóng mở
- Xuất xứ: china
- Bảo hành: 1 năm
5.Tổng kết về van bi 3 mảnh điều khiển điện
Trên đây là toàn bộ nội dung về van bi 3 mảnh của chúng tôi, bạn đọc tham khảo thấy thiếu sót cần bổ sung hoặc cần tư vấn báo giá về sản phẩm vui lòng liên hệ tới chúng tôi theo số hotline: 0967.249.266 hoặc gửi về phòng thư son@tuanhungphat.vn Trân trọng!!!
Đánh giá (2)
Sản phẩm tương tự
Cookie Consent
We use cookies to improve your experience on our site. By using our site, you consent to cookies.
Cookie Preferences
Manage your cookie preferences below:
Essential cookies enable basic functions and are necessary for the proper function of the website.
Statistics cookies collect information anonymously. This information helps us understand how visitors use our website.
Marketing cookies are used to follow visitors to websites. The intention is to show ads that are relevant and engaging to the individual user.


Mr Sơn THP
tôi muốn mua van này
admin Đã mua tại top1van.com
Sản phẩm rất tốt!